CJЧȫԄӃˮ
һa(chn)Ʒc
1ˮȫԄɱˮ^V_һϵ\гֻҪrˮ|(zh)O(jin)ҕyoκβ
2(ni)OدBʽܿߝț_ؓʹMˮ3000mg/lһԽ3mg/lڲòʹԭˮCʿߔ(sh)mNˮغ͝ȵԭˮלصםr@˲pͶˎ\гɱ
3ȫԭȫúcԭMˮ_ϴMȶyTԲ\йφ}OʹÉ^L
4ˮϵy(tng)ԄӻȱC˃ˮϵy(tng)ĸЧ^VԭˮС3000mg/lrVˮȿɱ3mg/l£Ԅӷ_oO_ϴˮûՉCOɹ(ji)ʡͶYճ\СSB(yng)Má
5Ժˮʵͼs3%(ji)ʡˮYԴeO
6ռeСcһˮ(gu)ɹ(ji)ʡռ50%ϣ߶4.10m҃(ni)ɰ
7ڔUw
OӋ(sh)
mԭˮ | 3000mg/l |
mԭˮض | |
ˮˮ | 3mg/l |
^(q)OӋؓ | 7-8m3/hm2 |
^V^(q)OӋV | 8-10m/h |
V؛_ϴ | 14-16 l/m2s |
_ϴ | t=4-6min{(dio) |
ͣrg | T=40-45min |
Mˮ | 0.06Mpa |
V | 1ʯ|1.6-16mmѺ250-300mm 2ʯӢɰVϣ0.6-1.2mmѺ600-700mm |
xùܵԴ͵ȅ(sh)һ[
̖ | CJ-10 | CJ-30 | CJ-50 | CJ-100 | CJ-200 | CJ-300 |
ˮt/h | 10 | 30 | 50 | 100 | 200 | 300 |
Mˮܣmm | DN80 | DN100 | DN100 | DN150 | DN200 | DN250 |
ˮܣmm | DN100 | DN150 | DN150 | DN200 | DN300 | DN350 |
ˮܣmm | DN300 | DN450 | DN450 | DN600 | DN600 | DN700 |
ܣmm | DN300 | DN300 | DN300 | DN300 | DN350 | DN400 |
ˮܣmm | DN40 | DN40 | DN40 | DN50 | DN50 | DN50 |
һx | IS50-32-125A | IS80-65-125A | IS80-65-125A | IS150-125-160 | IS150-125-200 | IS200-150-200A |
һùʣkw | 1.10 | 4.00 | 4.00 | 7.50 | 11.00 | 15.00 |
Oأt | 7.5 | 12 | 22 | 42 | 73 | 108 |
\t | 24 | 49 | 83 | 165 | 315 | 468 |
ע
1NܵMˮڷ׃180ȷλmwֵҪ
1NܵMˮڷ׃180ȷλmwֵҪ
2ıx늙Cm×l飺ˮõĿˮcˮbõ\ˮλ֮8ˮԴˮbõ;ֲpʧ֮͡4õcˮlcrrHrx
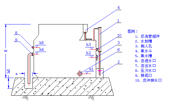
ģCJȫԄӃˮߴһ[
̖ | CJ-10 | CJ-30 | CJ-50 | CJ-100 | CJ-200 | CJ-300 |
L | 2100 | 3000 | 4000 | 6800 | 13600 | 20400 |
B | 1700 | 3100 | 3850 | 4600 | 4600 | 4600 |
b1 | 500 | 500 | 500 | 500 | 500 | 500 |
b2 | 1750 | 1750 | 1750 | 1750 | 1750 | 1750 |
H | 4350 | 4350 | 4350 | 4350 | 4350 | 4400 |
h1 | 250 | 250 | 250 | 250 | 250 | 250 |
h2 | 1250 | 1250 | 1250 | 1250 | 1250 | 1250 |
h3 | 2100 | 2100 | 2100 | 2100 | 2100 | 2100 |
h4 | 800 | 800 | 800 | 800 | 800 | 800 |
h5 | 1200 | 1200 | 1200 | 1200 | 1200 | 1200 |
h6 | 500 | 500 | 600 | 600 | 800 | 900 |
a | 300 | 400 | 400 | 500 | 600 | 700 |
f
1(ni)Ѕ(sh)λmm
1(ni)Ѕ(sh)λmm
2ˮbóߴ鳣Ҏ(gu)OӋߴ磬ߴrOӋ
壩CJȫԄӃˮνY(ji)(gu)D
CJȫԄӃˮƽD


